Навигация
  • Артикул: 36-3243
  • Доступно под заказ
24.80 Br

Описание товара

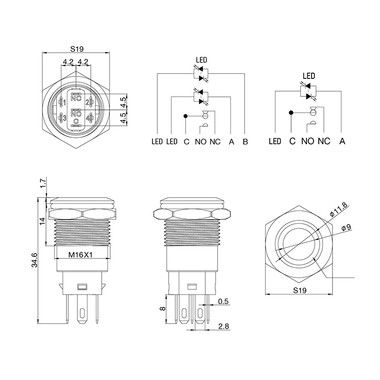
Кнопка антивандальная Ø16 250В Б/Фикс (2с) OFF-(ON) / ON-(OFF) красная КОЛОКОЛ предназначена для коммутации электрических цепей напряжением до 250В путем включения-выключения питающего провода. Металлические кнопки применяются в местах, где существует большой риск их повреждения (на различных производственных линиях, в лифтовых кабинах, около входной двери и т.д.), а также для декоративного оформления панелей управления. Главными отличительными особенностями такой кнопки являются металлическое исполнение и неуязвимость контактной группы, что обеспечит ей долговечное функционирование. Изделие состоит из двух основных частей - лицевой части (головки) и контактной, и имеет пружинный возвратный механизм. Монтаж осуществляется без применения винтов на плоских панелях толщиной от 0.5мм до 10мм. Подключение проводов осуществляется с помощью винтовых зажимов, пайки или разъемом.
Основные характеристики:
Номинальное напряжение и ток: 2A/36V(DC) 3A/250V(AC);
Тип переключения: OFF-(ON) / ON-(OFF);
Количество контактных групп: 1;
Количество контактов в контактной группе: 3;
Фиксация положений: отсутствует;
Индикатор коммутационных положений: красный;
Установочный диаметр: 16мм;
Рабочая температура: от -25℃ до +85℃;
Степень защиты (IP): IP65;
Ресурс: 10 000 циклов.
Преимуществами использования данного изделия является надежность, быстрота и удобство монтажа.

Технические характеристики

Высота отверстия
5 мм
С передним кольцом
Нет
Количество позиций для управляющих элементов
1
Степень защиты (IP)
IP67
Цвет кнопки
Красный
Тип подключения
Плоский штекерный разъем
С возможностью подсветки
Да
С самовозвратом (без фиксации)
Да
С сигнальной лампой (индикатором)
Нет
Диаметр отверстия
16 мм
Ширина отверстия
16 мм
Количество нормально разомкнутых (НО) контактов
3
Количество нормально замкнутых (НЗ) контактов
3
Количество переключающих (перекидных) контактов
3
Напряжение питания лампы
250 В
Материал переднего кольца
Прочее
Цвет переднего кольца
Прочее
С маркировкой/обозначением
Нет
Конструкция линзы
Круглый (-ая,-ое)
Тип кнопки
Плоская (-ий)
Без самовозврата (с фиксацией)
Нет
Информация о технических характеристиках, комплекте поставки, стране-производителе и внешнем виде товара носит справочный характер и основывается на актуальной информации, доступной на момент публикации. Для полной уверенности уточняйте детали у менеджера при оформлении заказа.