Навигация
  • Артикул: 36-3251
  • Доступно под заказ
Цена по запросу
Наличие уточняйте по телефону

Описание товара

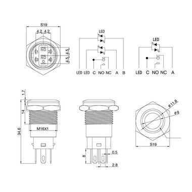
Кнопка антивандальная Ø16 12В Фикс (5с) ON-OFF/OFF-ON синяя предназначена для коммутации электрических цепей напряжением до 12В путем включения-выключения питающего провода. Металлические кнопки применяются в местах, где существует большой риск их повреждения (на различных производственных линиях, в лифтовых кабинах, около входной двери и т.д.), а также для декоративного оформления панелей управления. Главными отличительными особенностями такой кнопки являются металлическое исполнение и неуязвимость контактной группы, что обеспечит ей долговечное функционирование. Изделие состоит из двух основных частей - лицевой части (головки) и контактной, и имеет пружинный возвратный механизм. Монтаж осуществляется без применения винтов на плоских панелях толщиной от 0.5мм до 10мм. Подключение проводов осуществляется с помощью винтовых зажимов, пайки или разъемом.
Основные характеристики:
Номинальное напряжение: 12В;
Номинальный ток: 3A;
Тип переключения: ON-OFF/OFF-ON;
Количество контактных групп: 1;
Количество контактов в контактной группе: 3;
Фиксация положений: есть;
Индикатор коммутационных положений: синий;
Установочный диаметр: 16мм;
Рабочая температура: от -25℃ до +85℃;
Ресурс: 10 000 циклов.
Преимуществами использования данного изделия является надежность, быстрота и удобство монтажа.

Технические характеристики

Тип подключения
Плоский штекерный разъем
Высота отверстия
5 мм
Количество позиций для управляющих элементов
1
С передним кольцом
Нет
Степень защиты (IP)
IP67
С возможностью подсветки
Да
С самовозвратом (без фиксации)
Да
Конструкция линзы
Круглый (-ая,-ое)
Диаметр отверстия
16 мм
Ширина отверстия
16 мм
Количество нормально разомкнутых (НО) контактов
3
Количество нормально замкнутых (НЗ) контактов
3
Материал переднего кольца
Прочее
Цвет переднего кольца
Прочее
Напряжение питания лампы
12 В
Количество переключающих (перекидных) контактов
3
Цвет кнопки
Синий
Тип кнопки
Плоская (-ий)
Без самовозврата (с фиксацией)
Да
Информация о технических характеристиках, комплекте поставки, стране-производителе и внешнем виде товара носит справочный характер и основывается на актуальной информации, доступной на момент публикации. Для полной уверенности уточняйте детали у менеджера при оформлении заказа.