Навигация
  • Артикул: 36-3352
  • Доступно под заказ
20.00 Br

Описание товара

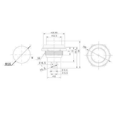
Выключатель-кнопка металл 250V 2А (2с) OFF-(ON) Ø16.2 синяя предназначена для коммутации электрических цепей переменного тока напряжением до 250В путем включения-выключения питающего провода. Кнопки применяются в качестве комплектующих изделий различного электрооборудования (в аудио системах, блоках питания, электроустановках на различных производствах, автомобилях, и многих других местах). Разнообразные цветовые варианты исполнения позволяют эффективно комплектовать панели управления. Изделие состоит из двух основных частей - лицевой части (головки) и контактной, и имеет пружинный возвратный механизм. Металлическое исполнение обеспечит долговечное функционирование коммутатора. Монтаж осуществляется без применения винтов на плоских панелях толщиной от 0.5мм до 3мм. Подключение проводов осуществляется с помощью пайки.
Основные характеристики:
Номинальное напряжение: 250В;
Номинальный ток: 2A (250VAC);
Тип переключения: OFF-(ON);
Количество контактных групп: 1;
Количество контактов в контактной группе: 2;
Фиксация положений: отсутствует;
Индикатор коммутационных положений: отсутствует;
Установочный диаметр: 16.2мм;
Рабочая температура: от -25℃ до +85℃;
Степень защиты (IP): IP30;
Ресурс: 10 000 циклов.
Преимуществами использования данного изделия является надежность, быстрота и удобство монтажа.

Технические характеристики

Степень защиты (IP)
IP30
Высота отверстия
5,5 мм
С передним кольцом
Нет
Количество позиций для управляющих элементов
1
Цвет кнопки
Синий
Тип подключения
Припаянный флажковый соединитель
Тип кнопки
Высокий (-ая)
Без самовозврата (с фиксацией)
Нет
Конструкция линзы
Круглый (-ая,-ое)
С самовозвратом (без фиксации)
Да
Диаметр отверстия
16 мм
Ширина отверстия
16 мм
С сигнальной лампой (индикатором)
Нет
С возможностью подсветки
Нет
Напряжение питания лампы
250 В
С маркировкой/обозначением
Нет
Материал переднего кольца
Прочее
Количество нормально замкнутых (НЗ) контактов
2
Количество переключающих (перекидных) контактов
2
Цвет переднего кольца
Прочее
Количество нормально разомкнутых (НО) контактов
2
Информация о технических характеристиках, комплекте поставки, стране-производителе и внешнем виде товара носит справочный характер и основывается на актуальной информации, доступной на момент публикации. Для полной уверенности уточняйте детали у менеджера при оформлении заказа.